前 言:
計劃製作一個功率放大器已有一段時間了,為了方便設計選擇以 LM3886 功率IC為基礎,但總覺得不能太簡單只是照著技術文件的內容來的製作,所以在網路上搜尋了不少的文章及電路,發現LM3886也可以加上DC SERVO電路,所以我把LM3886 + DC SERVO + OP 前級 + 喇叭保護器 +電源一起設計在一片板子上,使製作的難度降到最低。(,原圖參考大陸網站[松勝電子])
LM3886TF是美國NS公司推出的大功率音頻放大IC,其後面的TF為全絕緣封裝,也就是安裝散器時不必再加雲母片來絶緣,在額定工作電壓下最大可達68W的連續不失真平均功率,具有比較完善的過電壓、過電流、過熱保護的功能,最可貴的是它具有自動抗開關機時的電流沖擊的功能,使喇叭能夠安全的工作。 LM3886優異的性能,使得它在近幾年音響製作中廣泛的應用,許多成品功放機中就有直接的應用它擔任後級功放或者用它作為重低音放大電路。其特點有︰輸出功率大(連續輸出功率68W)、失真度小(總失真加噪聲<0.03%)、保護功能(包括過電壓保護、過熱保護、電流限制、溫度限制、開關電源時的揚聲器衝擊保護、靜音功能)齊全,附加零件少,製作調試容易,工作穩定可靠。由於用它製作功率放大電路具有簡易,適用的特點,特別適合發燒友以及電子愛好者的製作。
LM3886TF的特性如下︰
LM3886在VCC=VEE=28V、 4歐負載時能達到68W的連續平均功率,在VCC=VEE=35V,8歐姆,負載時能達到50W的平均功率。
具有較寬的電源電壓範圍VCC+VEE為20V-94V;
總諧波失真+噪聲︰60W 20Hz<f<20kHz AV=26dB 時的值為 0.03%
轉換速率(SLEW RATE):VIN=2.0VP-P、tRISE=2ns 時的值為 19V/us
總靜態電流︰50mA
輸入偏流︰ 0.2uA
增益帶寬乘積: 8 MHZ
電路圖如下:


電路分為幾個部份:
電源供應:
由電路圖中可看出,電源供只是一般基本的設計,由於LM3886的供電範圍非常的廣,所以建議使用次級為AC( 22V ~ 0 ~ 22V)至AC(28V ~ 0 ~ 28V)之間的變壓器,我用的是(AC(24V ~ 0 ~ 24V),的變壓器,電流最好大於3A(或200W以上),如果能用環型變壓器效果當然更好。
OP前級及DC SERVO電路所使用的電源供應:
為了達到更好的音響穩定度,供應給OP前級及DC SERVO電路所使用的+-15V電源也加上SERVO電路以避後級電流變動時可能發生的壓降,自然前級的穩定度必定增高。
前級放大:
前級也是使用OP來擔任,為基本的DC放大電路,設定為10倍的放大倍率。為了方便大家更換自己喜歡的OP來調音,建議製作時,這個位置先焊上IC座,以便日後更換自己喜歡的OP。
後級放大:
採用了美國NS公司(國家半導體公司)推出的高傳真音響功放積體電路LM3886TF作功率放大,用運放NE5532或AD827作前置線性放大。
DC SERVO電路:
眼尖的高手可能看出本製作除了使用OP來執行DC SERVO的任務,另外LM3886所使用的純電流回授電路和一般用法有所不同,這是在網路上看到專家經過反覆測試改進後的電路,值得介紹給大家。
喇叭保護電路
一般功能不多介紹,此保護器能在功放輸出不正常的直流時,和使繼電器斷開與喇叭間的連接,以保護它不被大量的直流電流燒毀。
以上只是簡單的對這個電路介紹,想瞭解全部動作解析的話,就要靠各位自己上網爬文了。
有關直流功放的特色:
另外其實這個電路是純直流的設計,因為一般放大器與訊號源的交流是透過電容來阻隔直流電,但電容本身的特性卻可能影響頻率響應,或不良電容所產生的雜訊進入放大電路中,不知多少發燒友在尋求最好的交連電容,其實最好的交連電容就是不要交連電容(網路上常有一根銅線代替電容的討論),本電路即然稱為純直流的功率放大器為何還有C5的存在呢? 其實C5是可以完全拿掉的,也就是直接短路電容兩端,拿掉電容,直接用跳線取代,因為本電路有完善的DC SERVO的電路來確保電路沒有直流輸出,就算真的不小心輸出了直流也還有最後一道防線-[喇叭保護電路],如果你還不放心,那C5就留著吧!
零件的選用:
為了成本考量,我製作這個電路並沒使用高檔的發燒品,如WIMA電容等….,但並不表示用了最便宜的零件,但並不諱言,零件的穩定度影響電路的品質,所以採C/P值高的方式安排零件,我的製作使用了1%誤差的精密電阻,必要的地方也使用了較高檔的金屬皮膜電容或是鉭質電容,試聽之下,實在滿意,在聽感上中、高頻纖細耐聽,低頻繼承了電流回饋的下潛深而有力的優點,實在可以說是不錯的組合,希望大家能製作成功。
製作需注意事項:
一般市售的感光電路板的銅鉑厚度較薄,所以如果可能,在焊鍚的時後,在後級電源經過的部份銅鉑,可以加上一層焊鍚,以加強它的電流能力。
散熱片的安裝並不是製式的規格,所以固定散熱片的方式請自己動點腦筋,大小也不要小於我所用的,你們可以對照一下照片,LM3886TF封裝是全塑膠的,不用雲母片來絶緣,但最好以散熱膏塗抹於接觸面,再以螺絲固定。
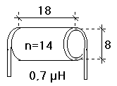
線圈L1,L2的繞法:使用0.6~0.7mm的漆包線

單面電路的的底片圖LM3886V2-BL.pdf試合手工製作電路板的DIYer製作,列印時請注意設定輸出比例為100%(要取消勾選自動縮放).
零件配置(單面板):

電路板底片(雙面版)圖下載:BottomLayer 如果自己有能力洗電路板的人就下載這個.(不要有任何縮放,曝光時注意正反面,也就是印出的透明片放在感光線路板時,板面上的文字看起來是正常的文字,不是反字。)
零件清單:零件清單(由網友協助修正)
| LM3886純直流功率放大器零件表 | ||
| 電阻 | ||
| 位置 | 零件 | 備註 |
| Ra15,Rb15,Ra24,Rb24 | 10歐姆 * 4 | |
| Ra16,Rb16 | 470歐姆 * 2 | |
| Ra4,Rb4 ** 經多次測試,建議更換此電阻為100K | (500歐姆 * 2)原電路是499歐姆,已變更為100K | 精密電阻有時不易找到500R時可使用499歐姆。(注意)這顆阻跟輸入阻抗有關,之前用499R可能太小,有些音源推起來會有點吃重成音質的損失,部份網友直接拿掉電不裝 ,但經測試時發現此時對OP輸入端的阻抗較大(本來是好的),但容易把訊源上的雜訊通吃,所以還是建議更換為100K。 |
| Ra2,Rb2,Ra6,Rb6,Ra10,Rb10 | 1K歐姆 * 6 | Ra6,Rb6為1K時,前級OP放大倍率為11倍,覺得太大可變把此電阻加大,比如為2K,此時OP的放大倍率為6倍。 |
| R22 | 2K歐姆 * 1 | 在繼電器下方 |
| Ra3,Rb3,Ra8,Rb8 | 3.6K歐姆 * 4 | |
| Ra7,Rb7 | 6.8K歐姆 * 2 | |
| Ra27,Rb27 | 7.5K歐姆 * 2 | |
| Ra19,Rb19,Ra23,Rb23 | 10K歐姆 * 4 | |
| Ra13,Rb13 | 20K歐姆 * 2 | |
| Ra1,Rb1,Ra11,Rb11,Ra12,Rb12,Ra20 | 33K歐姆 * 7 | |
| Ra9,Rb9 | 47K歐姆 * 2 | |
| Ra5,Rb5,Ra25,Rb25,Ra26,Rb26 | 100K歐姆 * 6 | |
| Ra14,Rb14 | 3歐姆 / 0.5W * 2 | |
| Ra21 (220R~470R) | 220歐姆 / 0.5W * 1(注意) | 由於不同繼器性能不同,若不易吸起,可改用較小電阻例如我目前使用24-0-24電壓時,使用OMRON繼電器,這電阻最小可以使用220歐姆。使用27V或有些有保留電流空間的環變,此電阻可使用470R 1/2W。 |
| Ra18,Rb18 | 470歐姆 / 0.5W * 2 | 電源變壓器AC24-0-24以上改為560歐姆或620R(歐姆) |
| Ra17,Rb17 | 0.5歐姆 / 2W * 2 | |
| 電容 | ||
| 位置 | 零件 | 備註 |
| Ca1,Cb1 | 33P | 陶瓷電容 |
| Ca8,Cb8 | 50P | 陶瓷電容 |
| Ca6,Cb6 | 220P | 陶瓷電容 |
| Ca13,Cb13,Ca14,Cb14,C24,C25 | 0.1u F(104) * 6 | 金屬皮膜電容或麥拉電容,要小心確認於零件於圖表中的位置在電路板上左側Ca14.Cb14誤植與右側相同為Ca13.Cb13 |
| Ca5,Cb5 (省略,以跳線替代) | 1uF (105) * 2 | WIMA或金屬皮膜電容,由於直接使用跳線效果更好,使用多年其穩定度也很好,所以零件包內不再含此零件! |
| Ca9,Cb9,Ca16,Cb16 | 0.1uF (104) * 4 | 基層電容,要小心確認於零件於圖表中的位置 |
| Ca17,Cb17 | 1u F(105) * 2 | 基層電容,在圖表顯示為1uF,避免與Ca5,Cb5搞混 |
| Ca2,Cb2,Ca15,Cb15 | 10uF / 25V * 4 | 電解電容 |
| Ca4,Cb4 | 100uF / 25V * 2 | 電解電容,一定要使用LOW/ESR(高速)電容 |
| Ca7,Cb7,C10,Ca11 | 100uF / 50V以上 * 4 | 電解電容,在電路板上Cb7未標示100uF/50V |
| Cm,Cn | 220uF / 35V或以上 * 2 | 電解電容 |
| Ca12,Cb12 | 10000uF / 50V * 2 | 電解電容,建議高速 |
| 其他(電晶體、二極體、IC‧‧‧) | ||
| 位置 | 零件 | 備註 |
| Q1,Q2,Q3,Q4 | 2N5551 * 4 | |
| IC1 | 7815 * 1 | |
| IC2 | 7915 * 1 | |
| VR1 | 100KA雙連 | |
| BR1 | 3A~5A橋式整流橋 * 1 | |
| U1,U5 | NE5532 * 2 | 升級時U5可選OPA2604也不錯,U1也可以試試OP072。 |
| U2線性放大運放 | NE5532 * 1 | 可用AD827,AD812,OPA,OPA2134,OPA2604,大S的NE5532等… |
| U1,U2,U5 | 8P IC座 | |
| U3,U4 | LM3886TF * 2 | |
| D6,D7 | 1N4001 * 2 | 1N4001~1N4007均可 |
| D8,D9,D10,D11 | 1N4148 * 4 | |
| RY1 | 繼電器(24V雙刀5A) * 1 | OMRON |
| L1,L2 | 自繞電感 * 2 | 約0.7-0.8mm的漆包線繞6mm桿子約16~17圈,自行配合孔位 |
| POWER | 3P小型端子座 * 1 | |
| R-OUT,L-OUT | 2P小型端子座 * 2 | |
| L-IN,GND,R-IN | 三腳針插座 * 1 | |
| LED1 | 任一顏色 * 1 | |
| PS. 散熱片 * 1 銅柱 * 4 | 銅柱已含在零件包內 | |
如果你有需要此電路板,請先來信EMAIL,[email protected]問看看還有沒庫存.




LM3886-DC-SERVO AMP新版雙層電路板280元/片
LM3886TF—————————300元/個
繼電器 OMRON———————-70元/個
散熱片—————————185元/片
NE5532(一PCB板需3顆)————–20元/顆
10000UF/50V(日系)(一組需2顆)—–120元/顆
PT-31—————————-430元.顆
PT-40—————————-$950元/顆(建議使用) (變壓器漲價,價格會有變動)
8A橋式整流器———————-25元/顆
2N5551電晶體(每套需4顆)————3元/顆
7815穩壓IC————————13元/顆
7915穩壓IC————————17元/顆
100Uf/25V(Ca4及Cb4的高速電容)——4元/顆
如需足瓦280W環型變壓器,一顆$1,500,規格請參考:280W環型變壓器
目前全套零件,全套含新版雙層PCB、所有的零件(加上銅柱及散熱膏)、散熱片及PT-40變壓器為NT$2,725 (變壓器漲價,價格會有變動)
若不含變壓器為NT$1,775
以上均不含郵寄費用。
如果對電路板及零件有興趣的人,請直接在這裡發EAMIL給我EMAIL。[email protected]
補充注事項: ***請一定要看***
1. RA4及RB4,這顆阻跟輸入阻抗有關,之前用499R算是很小,有些音源推起來會有點吃重,形成音質的損失,部份網友直接拿掉電不裝 ,但經測試時發現此時對OP輸入端的阻抗較大(本來是好的),但容易把訊源上的雜訊通吃,所以還是建議更換為100K。像是配合站上的真空管TUBE BUFFER時,更建議如上述說明來做。
2.Ra6,Rb6為1K時,前級OP放大倍率為11倍,覺得太大可變把此電阻加大,比如為2K,此時OP的放大倍率為6倍。
3. 若採用購買的廠製電路板,原來單面板所要焊的跳線都不用再焊了(除了取代Ca5,Cb5的跳線,請以下第6點說明),工廠已完成貫孔導導通的動作了!
4. 焊接的基本建議也跟大家說一下,最好使用50W以上的烙鐵施做,有一種可以瞬間加熱的那種也不錯,零件儘量插到底焊,每個焊點的時間不要太短,一次就把焊點焊好,不然一次沒焊好,而多次在同一點燒焊,反而會把銅箔給弄斷!
5. 變壓器AC至電路板接線端子的接法要注意,由左至右為AC-AC-0,列如 24-24-0。
6. 由於本電路為全直流擴大器設計,原來的電路唯一的交連電容Ca5,Cb5 ,以無交連直通方式(以跳線替代)效果更好,已正式取消此零件,零件包內不再包含,請別忘了焊接這唯二的兩條跳線!!。