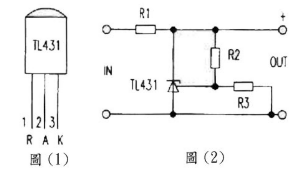
精密參考電壓 IC , TL431 是 T0—92 封裝如圖 1 所示。其性能是輸出電壓連續可調達 36V,工作電流範圍寬達 0.1。100mA,動態電阻典型值為 0.22 歐,輸出雜波低。
圖(2)是 TL431 的典型應用,其中 3、2 腳兩端輸出電壓 V=2.5(R2 十 R3)V/R3。如果改變 R2 的阻值大小,就可以改變輸出基準電壓大小。圖 3 是利用它作電壓基準和驅動外加場效應管 K790 作調整電晶體構成輸出電流大(約 6A)、電路簡單、安全的穩壓電源。


工作原理
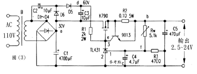
如圖(3)所示,110v 電壓經變壓器B 降壓、D1-D4 組成為橋式整流、C1 濾波電容。此外 D5、D6、C2、C3 組成倍壓電路(使得 Vdc=60V),Rw、R3 組成分壓電路,TL431、R1 組成取樣放大電路,9013、R2 組成限流保護電路,場效應管 K790 作調整管(可直接並聯使用)以及 C5 是輸出濾波器電路等。穩壓過程是:當輸出電壓降低時,f點電位降低,經 T1431 內部放大使 e 點電壓增高,經 K790 調整後,b 點電位升高;反之,當輸出電壓增高時,f點電位升高,e 點電位降低,經 K790 調整後,b 點電位降低。從而使輸出電壓穩定。CS9013 與 R2 組成限流電路,當輸出電流大於 6A 時, CS9013 電晶體處於截止,使輸出電流被限制在 6A 以內,從而達到限流的目的。本電路除電阻 R1 選用2W、R2 選用5W外,K790 最好安裝散片,其他元件無特殊要求,其元件數值如圖(3)所示。
譯自國外網站,未盡之處請見諒
[喬治查爾斯電子電路網]