我們來介紹一個無需外接傳輸線路的警報傳輸電路,靠家用電力線路來傳輸警報信號。並可設置多處警報點以對某點警報情況進行聲、光警報。以這種電力線來傳輸信號的方式,用途廣泛,甚至都已經運用在電腦的網路上了。
工作原理
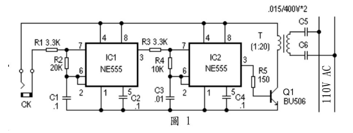
該警報器由發射和接收顯示兩部分組成。發射電路如圖 1 所示。它是由兩顆 555時基電路組成的兩個不同頻率的震盪電路。當 CK 兩端短路時(短路式警報偵測信號),第一顆(IC1)555構成低頻震盪電路,頻率 F1 主要由 C1、R2 決定,3腳輸出頻率為F1 的低頻信號。當 IC1 的 3 腳輸出高電平時,第二顆(IC2)555構成的高頻震盪電路工作,其震盪頻率 F2 主要由 C3、R4 決定,且 F2 遠大於 F1,這樣在 IC2 的 3 腳輸出為F2 的脈波調製信號。該調製信號透過由 Q1、T、C5、C6 組成的驅動電路在電力線上產生高頻調製脈波,高頻調製脈波電壓由傳輸距離選擇。

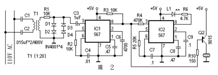
電力線路上有警報的高頻調製脈波出現時,參考圖 2,透過 T1 升壓變壓器的變壓及限流電阻 R1 和D1~D4 的限幅將信號送入第一個頻率鎖相回路模組(IC1)NE567 的 3腳,再由該頻率鎖相回路所組成的頻率識別電路(R2、C4)決定識別頻率值。然後在IC1 的輸出端 8 腳便可接調出頻率為 F1 的低頻頻率。該輸出頻率一路送至 V2 組成的驅動電路以驅動蜂鳴器HD 工作以產生聲音警報;另一路送至第二個頻率識別電路(IC2)。同理,調整 R5、C7 的數值,使第二個頻率解調電路能接調出 F1 的頻率,則(IC2)輸出 8 腳由高電平,L1發光即表示出該發射電路的方位出現警報。

元件選擇及電路調整
圖 1 和圖 2 中的升壓變壓器採用小型音頻變壓器,其線圈比為 1:20。圖 1 中的驅
動晶體 Q1 選用 BU506 功率型開關電晶體管(輸出電流為 500mA)。圖 1 的 C5、C6 和
圖 2 的 C1、C2 必須選用耐壓值大於 400V 的電容器。圖 1 中的 CK 用於連接報警偵測
輸出點;HD選用電壓為 5V 的成品蜂鳴器。
由於整機電路與電力線連接,在調整發射電路的頻率和接收電路的頻率接調時應特
別注意安全。該報警器僅適用於電力線在同一個變壓器的範圍,此時傳輸距離可到
2~3Km。
[喬治查爾斯電子電路網]
https://www.gccircuit.com