NE555 頻率及周期計算器 (專業版)
※ 提示:R1 建議不小於 1KΩ,以避免第七腳放電電流過大。
「算好了頻率?看看如何應用:[LED 閃爍電路專案]、[簡易音頻產生器製作]」 這能增加內部連結,對 SEO 很有幫助。
首先由介紹SE555/NE555大約在 1971 年由 Signetics Corporation 出品,接腳及和功能作用: (參考下面基本的電路概要)
Pin 1 (接地) – 地線(或共同接地) , 通常被連接到電路共同接地。
Pin 2 (觸發點) – 這個腳位是觸發NE555使其啟動它的時間週期。觸發信號上緣電壓須大於2/3 VCC,下緣須低於 1/3 VCC 。例如使用12 伏特來供應555的電壓, 觸發器輸入電壓必須如上述說明,介於8V以上4V以下。行動是平實敏感的並且觸發器電壓也許非常慢慢地行動。避免retriggering, 在單穩態的方式下觸發器電壓必須在時間週期結束之前的返回到供應電壓的1/3 之上。觸發器輸入電流是大約0.5 微安培(0.5 uA)。
Pin 3 (輸出) – 當時間週期開始555 的輸出輸出腳位,移至比電源電壓少1.7 伏的高電位。週期的結束輸出回到O伏左右的低電位。於高電位時的最大輸出電流大約200 mA 。
Pin 4 (重置): – 一個低邏輯電位送至這個腳位時會重置定時器和使輸出回 到一個低電位。它通常被接到電源的正電或不使用。
Pin 5 (控制) – 這個接腳准許由外部電壓改變觸發和閘限電壓。當計時器經營在穩定或震盪的運作方式下, 這輸入能用來改變或調整輸出頻率。如果不使用, 建議對地安裝一個小電容,以避免可能因雜訊造成的假觸發。
Pin 6 (重置鎖定) – Pin 6 重置鎖定並使輸出呈低態。當這個接腳的電壓從1/3 VCC電壓以下移至2/3 VCC以上時啟動這個動作。
Pin 7 (放電) – 這個接腳和主要的輸出接腳有相同的電流輸出能力,當輸出為ON時為LOW,對地為低阻抗,當輸出為OFF時為HIGH,對地為高阻抗。
Pin 8 (V +) – 這是555 個計時器IC 的正電源電壓端。供應電壓的範圍是+4.5 伏特(最小值) 至+16 伏特(最大值) 。
NE556 (是一個雙555 定時器的封裝) 接腳對應555的接腳如下表
例如, 二個定時器的556二個輸出對應NE555的第3腳為PIN 5 和PIN 9

以下有兩個NE555的基本電路.左方為單穩-右方為不穩態

以下這個電路是利用NE555做成的LED閃光器,LED會在高緣(T1)點亮,下緣(T2)熄掉。

下面這個555的電路是一使用3個1.5V電池的個腳踏車閃光燈,2個閃爍的燈會交替在1.5秒的周期內交互閃爍。

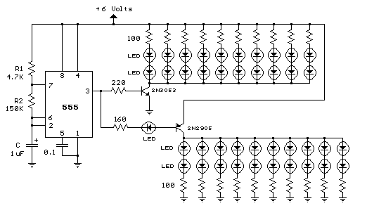
以下這個電路是一個可以推動40個LED的閃光器跟上面的電路是大同小異的。
