轉自:www.dzjs.com
電容式接近控制器通常由一個射頻振盪電路和一個探測板組成。圖2是用分立元件製作的電容感應式控制器電原理圖。
在圖2中,三極管VT1與周圍元件構成一個射頻振盪電路;金屬感應電極片連在VT1的集電極作為探測器。在沒有其他導體接近感應電極片時,VT1組成的振盪電路正常振盪,此時VT1發射極輸出的射頻電壓信號經VD1、VD2檢波後成為直流控制信號,該信號使開關管VT2導通,繼電器得電吸合,接通被控電路的電源:當有導體接近感應電極片時,由於任何靠近感應電極片的導體都會感應出電極片和“地”之間的電容,而電容的增加就會降低振盪器的正反饋量直至振盪器停止振盪,如果振盪器停止振盪,射頻檢波電路就不再輸出直流控制信號,此時開關管VT2就會截止,使繼電器斷開,而且繼電器斷開後需要再鬆開開關S再閉合後,電路才能進人下一次振盪狀態,否則繼電器就一直斷開。
C0是靈敏度調節電容,調節它的大小可以調整振盪器起振、停振的臨界值,從而來調節控制器所控制物體的遠近、大小等專案。在圖2中,電感L1可以使用電感量為1mH-6mH的任何色碼電感,如果電感量大於4mH,就需要適當地增大C0的值,以使電路能順利震盪,其他元件參數如圖2所示。
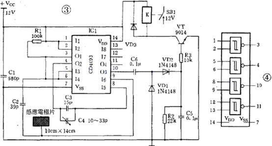
圖3是由積體電路製作的電容感應式控制電路。

圖3電路中主要由一個四—2輸入 “與非”門積體電路CD4093(內部電路見圖4)組成。R1、C1及CD4093的一個反及閘(①、②、③腳,IC1)構成400Hz方波振盪器,振盪器輸出的方波分成兩路:一路直接送入一個反及閘電路(④、⑤、⑥腳,IC2);另一路經電容C2送入一個反及閘(⑧、⑨、⑩腳,IC3)的一個輸人端。由於IC2接成反閘的形式,所以它的輸入、輸出端電位相差180°,IC2輸出的信號經C3、C4耦合至IC3的另一個輸入端。
由於IC3兩個輸入端的電平相同。相位相反,因此只要IC1正常振盪,IC3的兩個輸入端至少有一個為低電平,故IC3輸出端為穩定的高電平,由於C6的作用,VT1截止。但是如取消IC3任何一個輸入端的輸入信號或使該信號幅度降到低於門電路的輸入起動電平時,IC3就會輸出方波信號。
當有導體接近感應電極片時,就會使由C2耦合到IC3輸入端⑨腳的部分信號被分流到地,若被分流後的信號幅度低於反及閘輸人端的閾值電平,IC3就會輸出方波信號,該信號經VD1、VD2整流後就會使開關管VT1導通,接通繼電器的電源使之吸合。
電容C4是靈敏度調節電容,若需要該電路以最大靈敏度工作時,可以先調節C4使繼電器剛好吸合,再調節C4使繼電器剛好斷開,然後用高頻蠟或絕緣漆把C4封牢即可。
圖3電路所用元件都是普通元件,由於 CD4093為CMOS積體電路,很容易被烙鐵所帶的靜電擊穿,所以在製作時,最好先焊一個IC插座,待電路經檢查無誤後再把CD4093插入插座。感應電極片可以用金屬易開罐剪製。