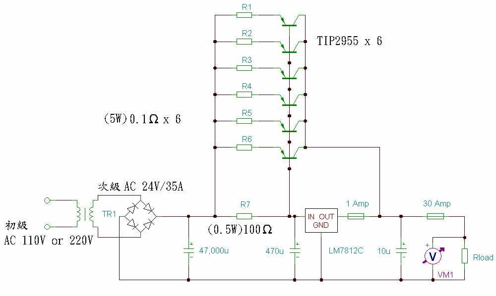
使用單一的 7812 穩壓IC以及數個輸出功率晶體來組成,這個電路可以驅動的負載輸出電流達30A,電路圖如下:

其實變壓器可能是這個電路中成本最高的零件,不如直接找個12V的車用電池來獲得DC12V,但可能在有些用途中你是必須使用這個電路的,例如軍用車上常使用24V的電池來供電,如果要使用12V的設備的話就要使用本電路了。如果需要的電流很大的話,變壓器次級所用的整流器一定要找高電流的,最好是100A或以上的耐電流。LM7812上所經過的電流將只有1A或比輸出電流更低,其餘額外的輸出電流必須仰賴其他外接的功率晶體,設計電路時預估使用30A的電流,使用6個TIP2955功率晶體採用併聯的方式來負擔這麼大的電流,雖然每個晶體分配了1/6的輸出電流,但散熱器還是需要的,當輸出電流最高時,其產生的熱度是非常高的,所以在設計上最好考量使用風扇或是水冷的方式來散熱。當功率晶體損壞時,穩壓IC勢必供應全負載的電流,甚至發生危險,所以穩壓IC輸出端的1A保險絲即可保護此IC,Reload所使用的400Ω是用於測試時使用的,最後完成的電路是不需要它的。以下是一個模擬功能的測試圖:

這個電路是一個很好的電壓/電流法則範例,整體來說,輸入的電流總合,必須等於輸出電流的總合,而且環路電壓應該等於零,例如上圖,輸入電壓為24V,在R7上的壓降為4V,穩壓IC的輸入端電壓為20V,24V-4V-20V=0。輸出端,總輸出電流為30A,穩壓IC提供了0.866A的電流輸出,每一個功率晶體提供了4.855A的電流輸出,30 = 6 * 4.855 + 0.866.,每個功率晶體負擔約4.86A的電流,每個晶體的基極電流約138mA,每個晶體須有35倍的電流增益才足以輸出6A的功率,TIP2955足以滿足上述要求,R1~R6電阻是預防電晶體因製造時放大率無法完全相同時所產生的電流不平衡,R7 100Ω限制最大輸出時在本身的壓降為4V,電力消耗約(4^2)/200 或約為160 mW,建議使用0.5W以上的R7電阻。進入穩壓電路的電流是由功率晶體的射極輸入,基極的調制,再一次運用Kirchoff’s電流法則,穩壓IC的輸入電流871mA,它的源流於流經R7 100Ω的40.3mA,871.18 = 40.3 + 830. 88.。