電感、電容是基本的發震元件,其與頻率的關係可以以下列的公式來表示,為了能確定一些未知的電感/電容器的值,我們可以使用在下面頻率公式來計算。

注意公式裡有3個互動的變數; f,L 和C (f 代表頻率,L 電感和C 電容量)。 如果我們知道兩個變數的值,就能計算第3 個變數的值。
我們想要確定一個未知的電感,我們用X來替代電感值。 我們把X 電感代進公式,我們也使用一個已知容量的電容器的值。 使用這些數據,我們能計算出頻率。 一旦我們知道頻率,我們能使用代數的方法由公式中求出L(電感)。上述方法使我們可以用被測出的頻率和一個已知容量的電容器來計算電感。 這不是驚人的嗎? 同樣的公式我們也能求出未知的電容值甚至頻率。
把理論應用在硬體上:
現在讓我們使用上述理論並且把它用在電子電路上。 LC表電路中使用一個通用的LM311 OP AMP IC做為頻率產生器。如果我們想要計算一個未知的電感值,我們使用一已知的Ccal 1000pF電容器和一個未知的電感值。 LM311 將產生一個我們能由頻率計測量的頻率。 當我們有了這個資料,我們就能使用頻率公式來計算電感值。
相同的方法也能做為計算一個未知的電容器的值。 我們使用一個未知容量的電感來測量,配合一已知值的電感來產生頻率,測出的頻率一樣可代入公式來計算出電容值。
看起來好像不錯,但是如果我們想要確定許多電感/電容器的值,全部使用頻率計測量,再用公式計算,那可能非常費時。當然可以在PC上寫個程寫成程式來做這些計算,但是如果我們沒有頻率計或是電腦,怎麼辦?
所以網路上有人使用PIC16F84A單晶片來製作成L/C表,將計算過程寫成程式,使程序變得方便,PIC16F84A是一個能執行編譯過的機械碼的單晶片電腦,PIC16F84A是一個很有彈性的單晶片,因為它的一些腳位可以很容易的定義成INPUT及OUTPUT,除此之外PIC16F84A使用最少的外部零件,如4MHz石英晶體及少量電容、電阻,在使用之前我們必需先使用燒錄器把程式碼(HEX碼)燒入PIC16F84A內。下一步我們把LM311所產生的頻率送到PIC16F84A的17腳位。這個程式指定這個腳位為輸入端,程式中測出LM311產生的頻率,執行公式的計算,然後再把結果由16字數的LCD顯示模組。
這個製作是以http://www.pi4zlb.nl/Zelfbouw/LC-meter.html的內容來製作的。但因為時間已過了太久了, 原作網頁己無法連結!
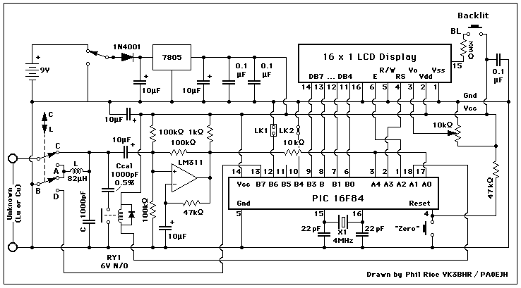
電路圖如下:

電路板零件配置圖:
第一個是原來的LAYOUT,第二個是我改過的。

電路板LAYOUT:

原作者使用的繼電器,找了幾家材料行都沒買到,所以為了製作方便,改採容易買到的立式IC型繼電器,大概規格如下圖,只要同樣的型式,5V操作電壓的繼電器就可使用,我也為此型繼電器修改部份的電路板LAYOUT。如上圖,繼電器的線圈部要並聯一個1N4148或1N4001的二極體。

LCD模組選擇16*1的規格,通用規格,如下:

LCD顯示模組規格 :
大部份的LCD顯示模組有14或者16 個接腳。 有背光的(backlight)模組有16個接腳沒有背光的backlight有14個接腳。接腳定義如下表:
| PIN | Symbol | Function | States |
| 1 | VSS | GND | – |
| 2 | VDD | VCC +5V | + |
| 3 | VO | Contrast Adjustment | +/- |
| 4 | RS | Register Select | H/L |
| 5 | R/W | Read / Write | H/L |
| 6 | E | Enable Signal | H/L |
| 7 | DB0 | Data Bit 0 | H/L |
| 8 | DB1 | Data Bit 1 | H/L |
| 9 | DB2 | Data Bit 2 | H/L |
| 10 | DB3 | Data Bit 3 | H/L |
| 11 | DB4 | Data Bit 4 | H/L |
| 12 | DB5 | Data Bit 5 | H/L |
| 13 | DB6 | Data Bit 6 | H/L |
| 14 | DB7 | Data Bit 7 | H/L |
| 15 | LED Backlight VCC +5V | + | |
| 16 | LED Backlight GND | – |
製作過程中要注意幾項事項:
1. Ccal 1000p最好使用5%以內誤差的精密電容,但因不容易找,但筆者目前使用的還是普通的陶磁電容。
2. 另外跨接於C點及地線的1000p(應在並聯約150P電容),作為校正使用,所以電路板上多留一個電容的位置Cadj,如果需要並聯2個以上電容,可焊於電路板背面或自己再多鑽兩個孔,完成這個製作後可以先使用它本身預設的頻率校正的功能,把那個Jumper(LK1)接上,開機後LCD模組上會有一個數字顯示,利用電容並聯相加的特性,變換電容的值,儘量讓LCD上的數字接近550000Hz (550KHz),調整的越近,以後量的數值越準。
3. 燒錄PIC16F84A的HEX碼的時後,要把CLOCK的選項選擇為外接的XTAL震盪器,燒錄碼下載點在: https://gccircuit.com/KITs/LC_METER/lc005.zip。
4. 零件配置大致都跟原配置圖一樣,只有繼電器附近有修改,請自行參考。
5. Zero接一個常開的按鈕開關,也就是Reset歸零的意思。
6. LK2是使用16*1或*2的選擇,應SHORT就好了。
7. 開關的接法可能會有人看不懂,所以我用下面圖片清楚畫出給大家參考。

以下圖片為自己的DIY,還是用原來的LAYOUT所以有部份跳線,大家參考。




如果你下載的是PDF檔,後幾頁你會看到電路板底片圖,您可自行以感光電路板製作。
PDF檔下載:
注意列印時要取消自動縮放的功能,不然洗出來的板子就不一樣大了,印出時是上視圖,所以印在透明片後要曝光時要反過來,也就是文字看起來是正的。
| By George Liao. 2007/01/15 版權所有,請勿行商業用途 喬治查爾斯電子電路網 |