跳至主要內容
喬治查爾斯電子電路網

喬治查爾斯電子電路網

電子DIY的製作分享園地

  • 首頁
  • DIY 成品分享
  • 電路收集分享
  • 國外國外電子資源導引
  • DIY線上計算鏈結

LED線限流電阻線上計算器

2026 年 1 月 20 日 作者: gc_admin

LED 限流電阻線上計算器 電源電壓 (V) LED 電壓 Vf (V) 串聯數量 (顆) 電流 (mA) 立 … 閱讀全文

分類 DIY線上計算鏈結 發佈留言

電子式分頻器(濾波)線上計算器

2026 年 1 月 20 日 作者: gc_admin

3rd Order Butterworth Crossover 專業計算器 參考自 Kaminsky, et. … 閱讀全文

分類 DIY線上計算鏈結 發佈留言

Sallen-Key High Pass Filter 高通濾波器計算器

2026 年 1 月 20 日 作者: gc_admin

Sallen-Key Butterworth 高通濾波器計算器 使用說明: 1. 算頻率:填入 C1, C2, … 閱讀全文

分類 DIY線上計算鏈結 發佈留言

(巴特沃斯)動態低通濾波器-線上計算器

2026 年 1 月 20 日 作者: gc_admin

Sallen-Key Butterworth 低通濾波器計算器 使用說明: 1. 算頻率:填入 R1, R2, … 閱讀全文

分類 DIY線上計算鏈結 發佈留言

Analog Device的OP動能濾波器計算、設計程式

2026 年 1 月 17 日 作者: gc_admin

這是一個由Analog Device提供的動態濾波器設計網站,好太用了,不管你要設計低通, 高通或是帶通濾波器 … 閱讀全文

分類 DIY線上計算鏈結 發佈留言

NE555計時IC-計算器

2026 年 1 月 15 日2026 年 1 月 15 日 作者: gc_admin

NE555 頻率及周期計算器 (專業版) 這個工具用於計算 NE555 無穩態多諧振盪器參數。您可以透過調整 … 閱讀全文

分類 DIY線上計算鏈結 發佈留言

LM317 電阻值計算

2026 年 1 月 15 日2026 年 1 月 14 日 作者: gc_admin

LM317 電壓計算器 這個計算器用來找出 LM317 輸出電壓。典型的 R1 值為 220Ω 或 240Ω。 … 閱讀全文

分類 DIY線上計算鏈結 發佈留言

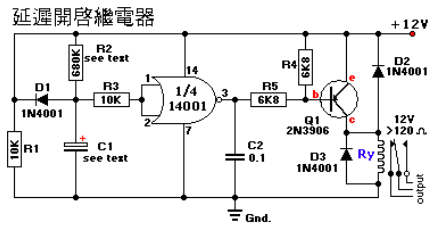
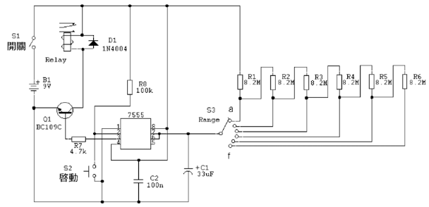
電池低壓指示電路

2026 年 1 月 14 日 作者: gc_admin

在許多製作中常會使用到充電池或是一般電池來當成電源,但總不能用到沒電時才知道,到時上不了場,就出天窗了,所以收 … 閱讀全文

分類 電路收集分享 發佈留言

使用 TL431 作較大功率的可調穩壓電源供應器

2026 年 1 月 14 日 作者: gc_admin

精密參考電壓 IC , TL431 是 T0—92 封裝如圖 1 所示。其性能是輸出電壓連續可調達 36V,工 … 閱讀全文

分類 電路收集分享 發佈留言

0~28V(6A)可調電源供應器

2026 年 1 月 14 日 作者: gc_admin

零件清單: · 變壓器2 x 15 volt (或30volt total) 6A以上· D1…D4 = MR … 閱讀全文

分類 電路收集分享 發佈留言
較舊的文章
較新的文章
← 上一頁 頁面1 頁面2 頁面3 頁面4 ... 頁面6 下一頁 →

近期文章

  • 自製PCB(電路板)教學
  • 入門級的GC-PCM2706 USB DAC
  • USB DAC GC-V2.0 Plus (PCM2706+TDA1543+RA1耳擴)
  • 真空管+FET的HI-FI耳擴(A類)
  • 真空管緩衝前級X10D-GC V1.0D

近期留言

  1. 「入門級的GC-PCM2706 USB DAC – 喬治查爾斯電子電路網」於〈USB DAC GC-V2.0 Plus (PCM2706+TDA1543+RA1耳擴)〉發佈留言
  2. 「可直接設置為橋接(BTL)的TDA-7294雙聲道功率擴大機-V1 – 喬治查爾斯電子電路網」於〈可橋接TDA7294-AMP-MULTI V2.0功率放大器-(2版含前級)〉發佈留言
  3. 「https://suncity888.fun/」於〈分享國外DIY網站[Electronics-DIY.com]英文網站〉發佈留言
  4. 「Vincent Liu」於〈電子耳(助聽器)-(Amplified Ear)〉發佈留言
  5. 「WordPress 示範留言者」於〈網站第一篇文章〉發佈留言
© 2026 喬治查爾斯電子電路網 • 網站設計採用 GeneratePress